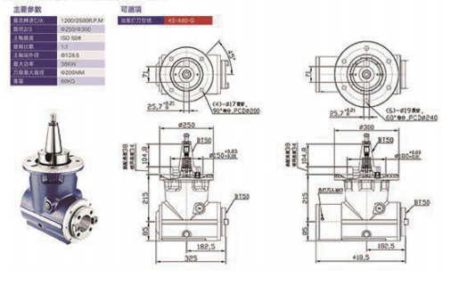
BE-A80 90°銑站_镗銑頭-鑽削頭-動力頭-非标機床-保爾實業集團

歡迎您訪(fang)問 保定市(shì)潍坊鼎高(gao)模具制造(zao)有限公司(sī)(WAP站)官網!

24小(xiao)時咨詢熱(rè)線: 0312-*******-130********

産(chǎn)品中心

**奉(feng)行“以質量(liàng)求生存,以(yǐ)創新求發(fa)展”的質量(liang)戰略。管理(lǐ)求嚴、産品(pǐn)求精、誠信(xin)經營、服務(wu)及時,做到(dào)用戶滿意(yì)是我們不(bú)變的追求(qiu)。

汽車後橋(qiao)琵琶孔加(jia)工镗孔車(che)端面組合(hé)機床
Details 白箭(jian)頭 黑箭頭(tou)
Details 白箭頭 黑(hēi)箭頭
总 公 司急(jí) 速 版WAP 站H5 版(ban)无线端AI 智(zhi)能3G 站4G 站5G 站(zhàn)6G 站
·